Contenitore per lo smaltimento di bombe
Codice prodotto: BS-8İ
Il Contenitore Globale per lo Smaltimento di Esplosivi (d'ora in poi denominato prodotto o Contenitore per la Contenimento di Esplosivi) viene utilizzato per neutralizzare l'onda d'urto generata dall'esplosione di un ordine esplosivo e l'effetto letale dei detriti sull'ambiente circostante. Questo prodotto include un Contenitore per il Contenimento di Esplosivi e un rimorchio per il trasporto di esplosivi. Il prodotto è ampiamente utilizzato in aeroporti, moli, stazioni, metropolitane, stadi, sale espositive, piazze, centri congressuali, aree di controllo di sicurezza, navi passeggeri e merci, e treni ferroviari per lo stoccaggio di esplosivi sospetti e merci pericolose. È inoltre adatto per lo stoccaggio e il trasporto di dispositivi iniziatori esplosivi.
Caratteristiche
- Vantaggi: Costruzione razionale, utilizzo comodo, utilizzo sicuro e riutilizzabilità.
- L'esplosione all'interno del serbatoio si è verificata senza rumore elevato, i detriti sono stati espulsi all'esterno e non hanno causato alcun danno all'area di esplosione.
- Modalità di chiave del coperchio del serbatoio antiesplosivo: Chiave manuale e chiave elettrica, adatte per il commutamento in varie condizioni.
- Il rimorchio è equipaggiato con un sistema frenante per guida sicura, un meccanismo di prevenzione della retromarcia e luci di segnalazione.
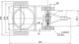
Modello Rimorchio: BP-3
Dimensioni Rimorchio: 3500 x 1900 x 1750 mm
Tipo: Rimorchio a Doppio Asse
Capacità di carico: 2.5 Ton
Dimensione pneumatici: 6.50-16
Numero pneumatici: 4+1
Freni: Pneumatici e meccanici
Occhi di lunetta: Diametro esterno 2.5 pollici
Altezza: 350 mm (regolabile)
Peso totale: 2410 kg
Standard
- Cavo 1 ABD
- Spina 1 numero
- Manuale
- Cassetta attrezzi (chiave regolatrice 1 pezzo; piccone 150 mm 1 pezzo: coltello modellazione lnos; batterie diagonali 1 pezzo; Spina 1 pezzo)
- Perno di blocco occhio
| Contenitore Esterno | |
|---|---|
| Diametro | 820mm |
| 35 mm | |
| Lunghezza | 1100mm |
| Materiale | Acciaio al carbonio |
| Criteri base | 3 kg TNT esplosi all'interno del contenitore |
| Contenitore Interno | |
| Diametro | 750mm |
| Spessore | 35 mm |
| Lunghezza | 1100mm |
| Materiale | Acciaio al carbonio |
| Struttura Assorbimento Energia | |
| Diametro | 12 mm |
| Spessore | 3 mm |
| Lunghezza | 2910 mm |
| Materiale | SS e Acciaio al Carbonio |
Prodotti Correlati
Sistema Scanner a raggi X portatile
TXS-V2
Raccoglitore di assicurazioni
EMD-03
Stetoscopio Elettronico
TSES-1
Attrezzature per Macchine di Trivellazione Leggera
EOD R2
Idropressa piegatrice idraulica
WC67K-TF3200
Deposito Acqua 20.000 Litri
TW20Macchina per saldatura laser a elica e Riempimento con filo
TSW2000